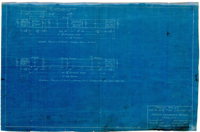
This collection contains blueprints and correspondence from the Craig Mountain Lumber Company and Sawmill in Winchester, Lewis County, Idaho. The correspondence in this collection mostly documents the process of reopening of the mill in 1923 after demand for lumber declined a few years prior.